發布時間:2025-09-23 |
瀏覽量:36
平面柵VDMOS 詳細介紹
平面柵VDMOS(Vertical Double-Diffused Metal-Oxide-Semiconductor)是一種特殊類型的MOSFET,主要用于功率電子應用。它結合了平面柵(Planar Gate)和垂直擴散技術,以提高功率處理能力和開關效率。

垂直結構:
與傳統平面MOSFET不同,VDMOS的主要特點是其垂直結構,即電流沿垂直方向流動。這種設計使得器件能處理更高的功率。
雙重擴散(Double-Diffused):
VDMOS的源極和漏極區域通過雙重擴散工藝形成。這種工藝允許在較低的電壓下獲得較高的電流承載能力。
平面柵(Planar Gate):
柵極結構與傳統的平面MOSFET類似,使用一層氧化物隔離柵極與半導體之間的直接接觸。平面柵設計有助于控制溝道的導電性。
溝道(Channel):
柵極施加電壓時,會在源極和漏極之間的半導體材料表面形成一個溝道,這個溝道是垂直于平面柵的。
工作原理
開關特性:
當柵極電壓高于閾值電壓時,VDMOS形成導電溝道,允許電流從源極流向漏極。垂直結構使其在高電壓下仍能保持高開關效率。
功率處理:
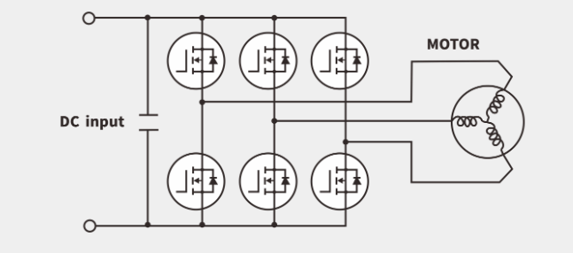
由于其垂直結構,VDMOS能夠承受較高的電壓和電流,適用于高功率應用,如電源管理和電動汽車驅動系統。
樂天使產品優勢

產品概述及特點
樂天使微提供500V-800V 平面柵VDMOS 。產品采用業界優良的平面技術、獨特的器件設計,并結合樂天使自有封裝優勢,雪崩耐量高, EMI兼容性好, 抗沖擊能力強。
產品應用領域
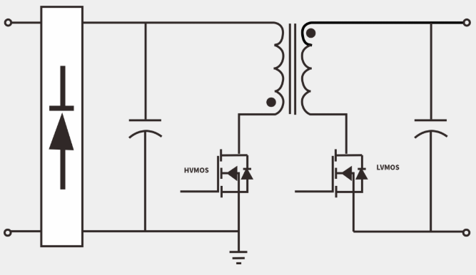
應用于開關電源、照明、充電器、適配器、 DC-DC、吹風機等。
應用拓撲圖及應用案例
吹風機

充電器/適配器
